Dong Yang is the Best Partner
We promise that we will commit our utmost efforts to develop
new technologies and improve our product quality in a consistent
manner to achieve customer satisfaction.
Product
> Product > Pressure vessels > Low-pressure receiver
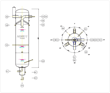
| NOZZLE LIST | |||
| NO. | NAME | NO. | NAME |
| N-1 | LIQUID OUTLET | N-7 | LEVEL HEADER (FLOAT SWITCH) |
| N-2 | GAS INLET | N-8 | DEFROST GAS INLET |
| N-3 | GAS OUTLET | N-9 | RELIEF |
| N-4 | LIQUID SUPPLY | N-10 | THERMO-COUPLE WELL |
| N-5 | HEADER FOR SAFETY VALVE & GAUGE | N-11 | OIL DRAIN |
| N-6 | LEVEL HEADER (FLOAT SWITCH) | N-12 | SCALE DRAIN |
| Model | D(¢) | H(㎜) | N-1 (A) |
N-2 (A) |
N-3 (A) |
N-4 (A) |
N-5 (A) |
N-6 (A) |
N-7 (A) |
N-8 (A) |
N-9 (A) |
N-10 (A) |
N-11 (A) |
N-10 (A) |
| DYLR01 | 406.4 | 1,200 | 40 | 80 | 80 | 20 | 25 | 20 | 25 | 15 | 15 | 15 | 15 | 40 |
| DYLR02 | 508.0 | 2,400 | 50 | 100 | 100 | 20 | 25 | 20 | 25 | 15 | 15 | 15 | 15 | 50 |
| DYLR03 | 558.8 | 2,700 | 50 | 100 | 100 | 20 | 25 | 20 | 25 | 15 | 15 | 15 | 15 | 50 |
| DYLR04 | 609.6 | 1,800 | 50 | 100 | 100 | 20 | 25 | 20 | 25 | 15 | 15 | 15 | 15 | 50 |
| DYLR05 | 650.0 | 2,850 | 50 | 100 | 100 | 20 | 25 | 20 | 25 | 15 | 15 | 15 | 15 | 50 |
| DYLR06 | 700.0 | 2,380 | 80 | 100 | 100 | 25 | 25 | 25 | 32 | 15 | 20 | 15 | 15 | 50 |
| DYLR07 | 800.0 | 3,100 | 80 | 100 | 100 | 25 | 25 | 25 | 32 | 15 | 20 | 15 | 20 | 50 |
| DYLR08 | 860.0 | 3,300 | 80 | 100 | 100 | 25 | 25 | 25 | 32 | 15 | 20 | 15 | 20 | 50 |
| DYLR09 | 914.4 | 2,200 | 80 | 125 | 125 | 25 | 25 | 25 | 32 | 15 | 20 | 15 | 20 | 50 |
| DYLR10 | 1000.0 | 3,010 | 80 | 125 | 125 | 25 | 25 | 32 | 32 | 15 | 20 | 15 | 20 | 50 |
| DYLR11 | 1100.0 | 3,030 | 125 | 200 | 200 | 32 | 32 | 25 | 32 | 15 | 20 | 15 | 20 | 50 |
| DYLR12 | 1200.0 | 3,080 | 125 | 200 | 200 | 40 | 32 | 25 | 32 | 15 | 20 | 15 | 20 | 20 |
| DYLR13 | 1300.0 | 3,500 | 150 | 200 | 200 | 50 | 32 | 32 | 32 | 15 | 20 | 15 | 25 | 50 |
| DYLR14 | 1400.0 | 3,300 | 150 | 200 | 200 | 50 | 25 | 25 | 32 | 15 | 20 | 15 | 25 | 65 |
* The above specifications may be changed without prior notice for product development and quality improvement purposes.

Tel : +82-032-862-4644 Fax : +032-866-7530 E-mail : dyltd@dyltd.co.kr
Copyright 2014 DONG YANG All rights reserved.