Dong Yang is the Best Partner
We promise that we will commit our utmost efforts to develop
new technologies and improve our product quality in a consistent
manner to achieve customer satisfaction.
Product
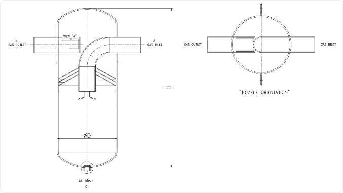
> Product > Pressure vessels > Accumulator
| Model | D(¢) | H(㎜) | Liquid | Drain(A) | Thickness(t) shell | Material Head | |
| In(A) | In(B) | ||||||
| DYAC01 | 216.3 | 570 | 32 | 32 | 15 | 8.2 SPPS370#40 | 9.0 SM490B |
| DYAC02 | 267.4 | 730 | 40 | 40 | 15 | 9.3 SPPS370#40 | 9.0 |
| DYAC03 | 318.5 | 900 | 50 | 50 | 15 | 10.3 SPPS370#40 | 9.0 |
| DYAC04 | 355.6 | 1050 | 65 | 65 | 15 | 9.5 SPPS370#40 | 9.0 |
| DYAC05 | 406.4 | 1200 | 80 | 80 | 15 | 9.5 SPPS370#40 | 9.0 |
| DYAC06 | 457.2 | 1350 | 90 | 90 | 15 | 11.1 SPPS370#40 | 9.0/12.0 |
| DYAC07 | 508.0 | 1500 | 90 | 90 | 15 | 9.5 SPPS370#40 | 9.0/12.0 |
| DYAC08 | 555.8 | 1500 | 100 | 100 | 15 | 9.5 SPPS370#40 | 9.0/12.0 |
| DYAC09 | 609.6 | 1500 | 100 | 100 | 20 | 9.5 SPPS370#40 | 9.0/12.0 |
| DYAC10 | 660.4 | 1800 | 125 | 125 | 20 | 12.7 SPPS370#40 | 9.0/12.0 |
| DYAC11 | 711.2 | 1800 | 125 | 125 | 20 | 9.0 SM490B | 9.0/12.0 |
| DYAC12 | 762.0 | 1800 | 125 | 125 | 20 | 9.0 SM490B | 9.0/12.0 |
| DYAC13 | 812.8 | 2000 | 150 | 150 | 20 | 12.0 SM490B | 12.0 |
| DYAC14 | 980.0 | 2200 | 150 | 150 | 20 | 12.0 SM490B | 12.0 |
| DYAC15 | 980.0 | 2200 | 150 | 150 | 20 | 12.0 SM490B | 12.0 |
| DYAC16 | 1250.0 | 3000 | 150 | 150 | 20 | 12.0 SM490B | 12.0 |
* The above specifications may be changed without prior notice for product development and quality improvement purposes.

Tel : +82-032-862-4644 Fax : +032-866-7530 E-mail : dyltd@dyltd.co.kr
Copyright 2014 DONG YANG All rights reserved.