Dong Yang is the Best Partner
We promise that we will commit our utmost efforts to develop
new technologies and improve our product quality in a consistent
manner to achieve customer satisfaction.
Product
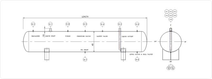
> Product > Pressure vessels > High-pressure receiver
All kinds of pressure vessels in terms of their design and manufacture are in compliance with the Korea High Pressure Gas Safety and Management Act and the latest regulations of the American Society of Mechanical Engineers. For the manufacture of a wide range of pressure vessels for various industrial fields including refrigeration plants and chemical plants, we satisfy diversifying customers' needs based on the latest laws and regulations as well as safety.
| Model | D(¢) | Length(㎜) | N-1 (A) |
N-2 (A) |
N-3 (A) |
N-4 (A) |
N-5 (A) |
N-8 (A) |
||
| DYHR01 | 318.5 | 2,400 | 25 | 20 | 15 | 10 | 10 | 15 | ||
| DYHR02 | 406.4 | 2,500 | 25 | 20 | 15 | 15 | 10 | 15 | ||
| DYHR03 | 457.2 | 2,500 | 25 | 20 | 15 | 15 | 15 | 15 | ||
| DYHR04 | 508.0 | 3,000 | 32 | 25 | 25 | 15 | 15 | 20 | ||
| DYHR05 | 508.0 | 3,600 | 40 | 25 | 25 | 15 | 15 | 20 | ||
| DYHR06 | 558.8 | 3,000 | 50 | 32 | 25 | 15 | 15 | 20 | ||
| DYHR07 | 609.6 | 3,200 | 50 | 32 | 25 | 15 | 15 | 20 | ||
| DYHR08 | 650.0 | 3,300 | 50 | 32 | 25 | 15 | 15 | 20 | ||
| DYHR09 | 700.0 | 3,500 | 50 | 32 | 25 | 15 | 15 | 20 | ||
| DYHR10 | 776.0 | 4,000 | 50 | 32 | 25 | 20 | 15 | 20 | ||
| DYHR11 | 860.0 | 4,000 | 65 | 40 | 32 | 20 | 15 | 20 | ||
| DYHR12 | 970.0 | 5,000 | 65 | 40 | 32 | 20 | 15 | 20 | ||
| DYHR13 | 1000.0 | 5,000 | 80 | 40 | 32 | 20 | 15 | 25 | ||
| DYHR14 | 1100.0 | 4,000 | 80 | 65 | 32 | 20 | 15 | 25 | ||
| DYHR15 | 1100.0 | 5,200 | 80 | 65 | 32 | 20 | 15 | 32 | ||
| DYHR16 | 1200.0 | 5,000 | 100 | 65 | 32 | 20 | 15 | 32 | ||
| DYHR17 | 1250.0 | 5,580 | 125 | 65 | 32 | 25 | 15 | 32 | ||
| DYHR18 | 1500.0 | 5,000 | 150 | 80 | 32 | 32 | 15 | 40 |
* The above specifications may be changed without prior notice for product development and quality improvement purposes.

Tel : +82-032-862-4644 Fax : +032-866-7530 E-mail : dyltd@dyltd.co.kr
Copyright 2014 DONG YANG All rights reserved.